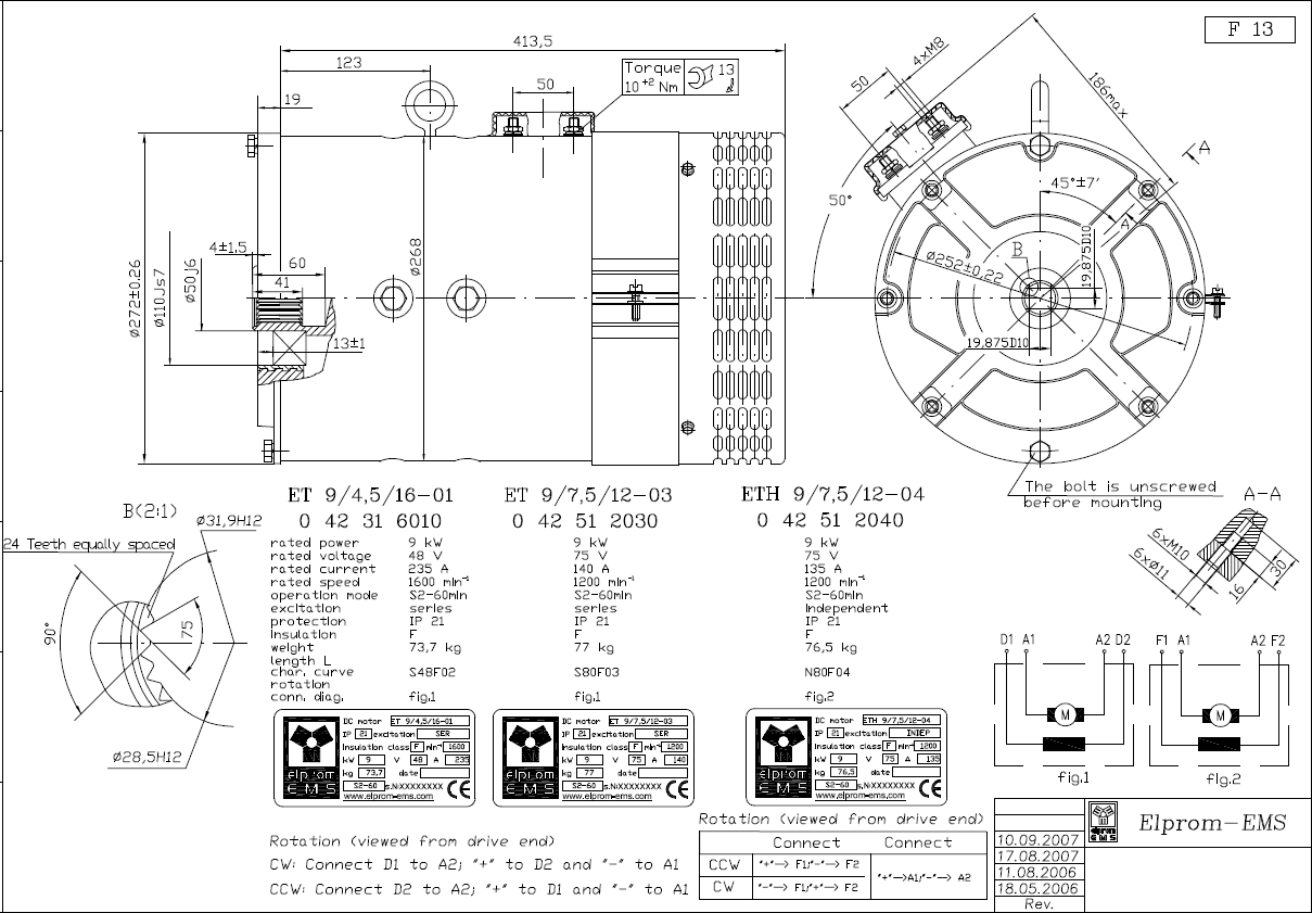
ЭЛ. ДВИГАТЕЛЬ ТЯГОВЫЙ ЕТ 9/ 7.5 / 12-03 260064 00.00 ЕВ 715, ЕР 638,33 Балканкар Рекорд
Цену и наличие уточняйте valtera@bk.ru | +375 (29) 117-11-70.
Любая информация о технических характеристиках, наличии и стоимости товаров и услуг размещенная на сайте носит информационный характер и ни при каких условиях не является публичной офертой.

