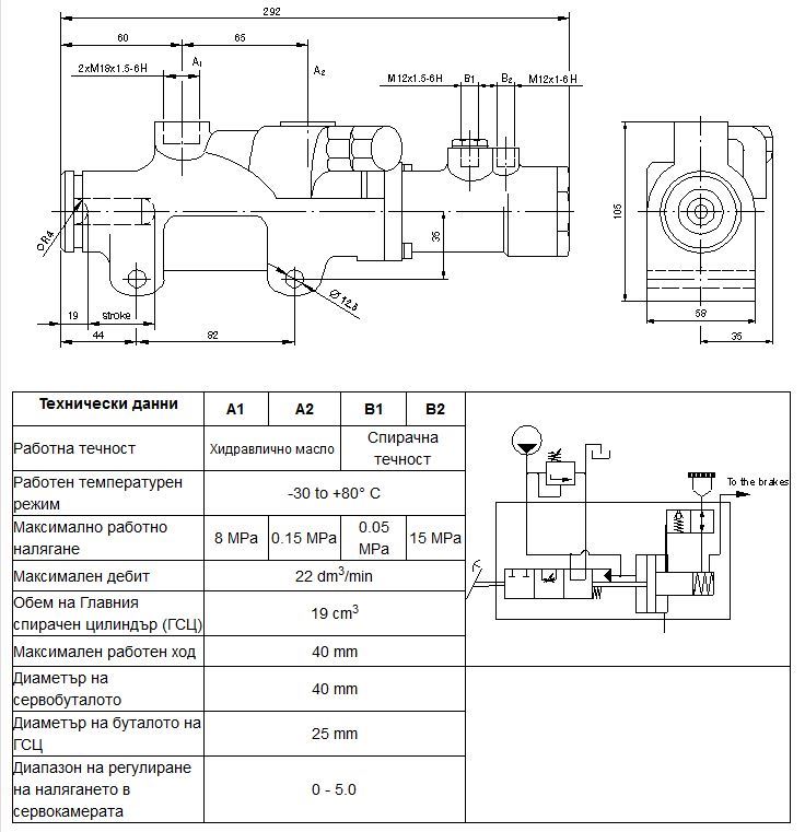
Главный тормозной цилиндр ГТЦ на Димекс ХСУ НВА 40х40 /КР/ 25 041670 FN 12.24.011 , Усилитель тормоза гидравлический 12.24.011 для погрузчика Dimex D35/D50 , BALKANCAR
Цену и наличие уточняйте valtera@bk.ru | +375 (29) 117-11-70.
Любая информация о технических характеристиках, наличии и стоимости товаров и услуг размещенная на сайте носит информационный характер и ни при каких условиях не является публичной офертой.

